Find Your Part (w/ Details)
| Part Number | Height | Width | Depth | Filler Neck | Product | Inlet | Outlet | Oil Cooler | |||||||||||||||||||||||||||||||||||||||||||||||||||||||||||||||||||||||||||||||||
|---|---|---|---|---|---|---|---|---|---|---|---|---|---|---|---|---|---|---|---|---|---|---|---|---|---|---|---|---|---|---|---|---|---|---|---|---|---|---|---|---|---|---|---|---|---|---|---|---|---|---|---|---|---|---|---|---|---|---|---|---|---|---|---|---|---|---|---|---|---|---|---|---|---|---|---|---|---|---|---|---|---|---|---|---|---|---|---|---|---|
www.activeradiator.com Call today to Order
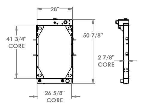
451407 - HME Fire Truck Radiator![]() Special Notes
Options / Pricing / Availability
Core Dimensions Height: 43.75"
Width: 30.25"
Depth: 4.125"
Overall Height: 53.3125"
Description Product Type: Radiator Filler Neck: Center Inlet: 2.25" (Left) Outlet: 2.5" (Right) Oil Cooler: Bottom OE Numbers
451407
451407AT 7818231 | |||||||||||||||||||||||||||||||||||||||||||||||||||||||||||||||||||||||||||||||||||||||||
www.activeradiator.com Call today to Order
451408 - Kobelco Excavator Radiator![]() Special Notes Pairs with 27-1721 and 28-0587
Options / Pricing / Availability
Call for price
Core Dimensions Height: 36.625"
Width: 14.9375"
Depth: 5"
Overall Height: 43.625"
Description Product Type: Radiator Filler Neck: Center Inlet: 2" (Right) Outlet: 2" (Left) Oil Cooler: None OE Numbers
451408
451408AT 14511428010 | |||||||||||||||||||||||||||||||||||||||||||||||||||||||||||||||||||||||||||||||||||||||||
www.activeradiator.com Call today to Order
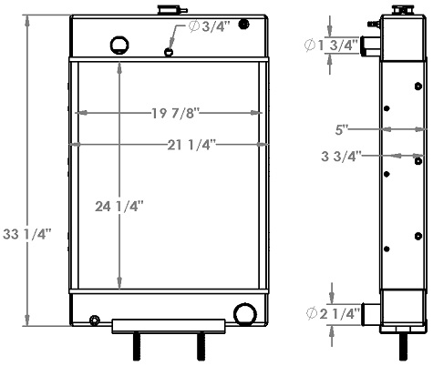
451409 - Cummins Power Products Radiator![]() Special Notes
Options / Pricing / Availability
Call for price
Call for price
Call for price
Core Dimensions Height: 24.25"
Width: 19.875"
Depth: 3.6875"
Overall Height: 34"
Description Product Type: Radiator Filler Neck: Center Inlet: 1.75" (Left) Outlet: 2.25" (Right) Oil Cooler: None OE Numbers
451409
451409AT DR1245 | |||||||||||||||||||||||||||||||||||||||||||||||||||||||||||||||||||||||||||||||||||||||||
www.activeradiator.com Call today to Order
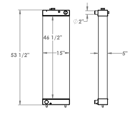
451410 - Kobelco SK350LC-9 Radiator![]() Special Notes See 27-1328 for hydraulic oil cooler
Options / Pricing / Availability
Call for price
Call for price
Core Dimensions Height: 46.5"
Width: 15"
Depth: 5"
Overall Height: 53.5"
Description Product Type: Radiator Filler Neck: Center Inlet: 2" (Right) Outlet: 2" (Left) Oil Cooler: None OE Numbers
451410
451410AT LC05P00056S001 14511438011 | |||||||||||||||||||||||||||||||||||||||||||||||||||||||||||||||||||||||||||||||||||||||||
www.activeradiator.com Call today to Order
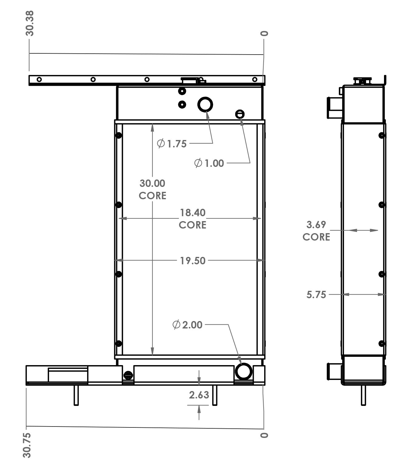
451411 - John Deere Powered Generator Radiator![]() Special Notes
Options / Pricing / Availability
Core Dimensions Height: 30"
Width: 18.4375"
Depth: 2.8125"
Overall Height: 37.5"
Description Product Type: Radiator Filler Neck: Center Inlet: 1.75" (Center) Outlet: 2" (Right) Oil Cooler: None OE Numbers
451411
451411AT | |||||||||||||||||||||||||||||||||||||||||||||||||||||||||||||||||||||||||||||||||||||||||
www.activeradiator.com Call today to Order
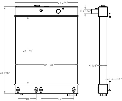
451412 - Komatsu WA420 Radiator![]() Special Notes Please verify two 1" bypass hose connection on the backside of the radiator before ordering.
Options / Pricing / Availability
Call for price
Core Dimensions Height: 37.25"
Width: 34.125"
Depth: 4.125"
Overall Height: 48"
Description Product Type: Radiator Filler Neck: Left Center Inlet: 2.25" (Right) Outlet: 2 Bolt Flange" (Bottom Right) Oil Cooler: Bottom OE Numbers
451412
451412AT 42403A0400 42303A1121 42303A1122 42303D1304 | |||||||||||||||||||||||||||||||||||||||||||||||||||||||||||||||||||||||||||||||||||||||||
www.activeradiator.com Call today to Order
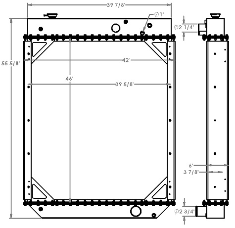
451413 - Cummins Onan Generator Radiator![]() Special Notes
Options / Pricing / Availability
Call for price
Call for price
Core Dimensions Height: 46"
Width: 39.5625"
Depth: 3.875"
Overall Height: 55.625"
Description Product Type: Radiator Filler Neck: Left Inlet: 2.25" (Right) Outlet: 2.75" (Right) Oil Cooler: None OE Numbers
451413
451413BT 1304369 01304369 | |||||||||||||||||||||||||||||||||||||||||||||||||||||||||||||||||||||||||||||||||||||||||
www.activeradiator.com Call today to Order
451417 - Industrial Radiator![]() Special Notes Please contact a Customer Service Representative before ordering.
Options / Pricing / Availability
Core Dimensions Height: 23"
Width: 11.9375"
Depth: 4.5"
Overall Height: 29.75"
Description Product Type: Radiator Filler Neck: Center Inlet: 1.75" (Center) Outlet: 2.25" (Center) Oil Cooler: None OE Numbers
451417
451417AT | |||||||||||||||||||||||||||||||||||||||||||||||||||||||||||||||||||||||||||||||||||||||||
www.activeradiator.com Call today to Order
451418 - Kalmar Ottawa Yard Truck Radiator![]() Special Notes Very similar to 45-1082BT please verify lack of a 1" hose connection on the bottom tank.
Options / Pricing / Availability
Call for price
Call for price
Call for price
Core Dimensions Height: 24.625"
Width: 23.75"
Depth: 3.0625"
Overall Height: 32.625"
Description Product Type: Radiator Filler Neck: Left Inlet: 1.625" (Center) Outlet: 2" (Right) Oil Cooler: Bottom OE Numbers
451418
451418BT 90030554 | |||||||||||||||||||||||||||||||||||||||||||||||||||||||||||||||||||||||||||||||||||||||||
www.activeradiator.com Call today to Order
451419 - Caterpillar 320F Radiator![]() Special Notes
Options / Pricing / Availability
Call for price
Call for price
Call for price
Core Dimensions Height: 42.25"
Width: 10.875"
Depth: 4.125"
Overall Height: 48.5"
Description Product Type: Radiator Filler Neck: None Oil Cooler: None OE Numbers
451419
451419AT 4468468 | |||||||||||||||||||||||||||||||||||||||||||||||||||||||||||||||||||||||||||||||||||||||||
www.activeradiator.com Call today to Order
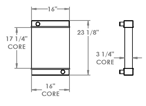
451420 - Industrial Radiator![]() Special Notes
Options / Pricing / Availability
Core Dimensions Height: 17.1875"
Width: 15.9375"
Depth: 3.25"
Overall Height: 23.1875"
Description Product Type: Radiator Filler Neck: None Oil Cooler: None OE Numbers
451420
451420AT | |||||||||||||||||||||||||||||||||||||||||||||||||||||||||||||||||||||||||||||||||||||||||
www.activeradiator.com Call today to Order
451421 - Ingersoll Rand / Doosan Radiator![]() Special Notes Very similar to 45-0646 and 45-1876. Please contact a Customer Service Representative before ordering.
Options / Pricing / Availability
Call for price
Call for price
Core Dimensions Height: 39.5"
Width: 21.3125"
Depth: 2.8125"
Overall Height: 48.5"
Description Product Type: Radiator Filler Neck: Right Inlet: 2" (Right) Outlet: 2" (Right) Oil Cooler: None OE Numbers
451421
451421AT | |||||||||||||||||||||||||||||||||||||||||||||||||||||||||||||||||||||||||||||||||||||||||
www.activeradiator.com Call today to Order
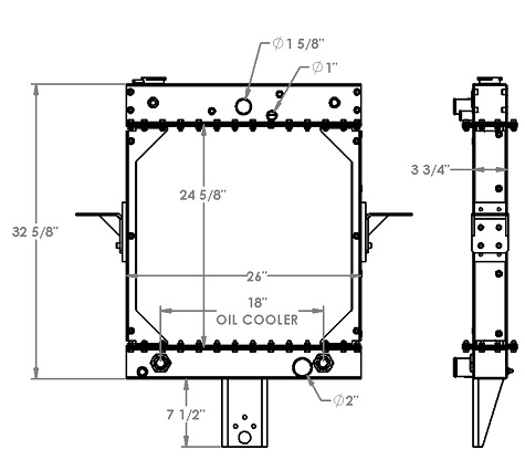
451422 - Fire Truck Radiator![]() Special Notes
Options / Pricing / Availability
Core Dimensions Height: 41.75"
Width: 26.625"
Depth: 2.8125"
Overall Height: 50.75"
Description Product Type: Radiator Filler Neck: Center Inlet: 2.5" (Right) Outlet: 2.75" (Right) Oil Cooler: Bottom OE Numbers
451422
451422AT | |||||||||||||||||||||||||||||||||||||||||||||||||||||||||||||||||||||||||||||||||||||||||
www.activeradiator.com Call today to Order
451423 - New Holland LB75 Radiator![]() Special Notes Very similar to 45-1299ST. Please verify orientation of the hose connections before ordering.
Options / Pricing / Availability
Call for price
Core Dimensions Height: 23.75"
Width: 22"
Depth: 4.125"
Overall Height: 28.625"
Description Product Type: Radiator Filler Neck: None Inlet: 1.5" (Front Facing) Outlet: 1.5" (Rear Facing) Oil Cooler: None OE Numbers
451423
451423ST 85817255 | |||||||||||||||||||||||||||||||||||||||||||||||||||||||||||||||||||||||||||||||||||||||||
www.activeradiator.com Call today to Order
451424 - Terex / Case Backhoe Loader Radaitor![]() Special Notes Very similar to 45-0298ST. Please contact a Customer Service Representative before ordering.
Options / Pricing / Availability
Core Dimensions Height: 18.5"
Width: 20.9375"
Depth: 3.875"
Overall Height: 24.5"
Description Product Type: Radiator Filler Neck: Left Inlet: 2.25" (Left) Outlet: 2.25" (Left) Oil Cooler: None OE Numbers
451424
451424ST 6100464M91 6100108M91 | |||||||||||||||||||||||||||||||||||||||||||||||||||||||||||||||||||||||||||||||||||||||||
www.activeradiator.com Call today to Order
451425 - Case Motor Grader Radiator![]() Special Notes
Options / Pricing / Availability
Call for price
Call for price
Core Dimensions Height: 28.5625"
Width: 24.375"
Depth: 3.875"
Overall Height: 34.625"
Description Product Type: Radiator Filler Neck: None Inlet: 2.25" (Left) Outlet: 2.25" (Right) Oil Cooler: None OE Numbers
451425
451425ST 84261959 | |||||||||||||||||||||||||||||||||||||||||||||||||||||||||||||||||||||||||||||||||||||||||
www.activeradiator.com Call today to Order
451426 - Sullair 175-250Q Compressor Radiator![]() Special Notes
Options / Pricing / Availability
Call for price
Call for price
Core Dimensions Height: 21.5"
Width: 23.3125"
Depth: 2.375"
Overall Height: 26.25"
Description Product Type: Radiator Filler Neck: Center Inlet: 1.5" (Center) Outlet: 1.75" (Left) Oil Cooler: None OE Numbers
451426
451426AT 02250050542 | |||||||||||||||||||||||||||||||||||||||||||||||||||||||||||||||||||||||||||||||||||||||||
www.activeradiator.com Call today to Order
451427 - Industrial Pressure Washer Radiator![]() Special Notes
Options / Pricing / Availability
Call for price
Core Dimensions Height: 30"
Width: 18.4375"
Depth: 3.6875"
Overall Height: -
Description Product Type: Radiator Filler Neck: Center Inlet: 1.75" (Center Right) Outlet: 2" (Right) Oil Cooler: None OE Numbers
451427
451427AT 0113225 | |||||||||||||||||||||||||||||||||||||||||||||||||||||||||||||||||||||||||||||||||||||||||
www.activeradiator.com Call today to Order
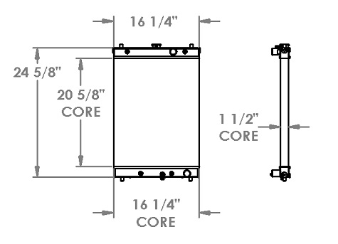
451428 - Yanmar / John Deere Excavator Radiator![]() Special Notes
Options / Pricing / Availability
Call for price
Core Dimensions Height: 20.625"
Width: 16.25"
Depth: 1.5"
Overall Height: 24.625"
Description Product Type: Radiator Filler Neck: Center Inlet: 1.25" (Right) Outlet: 1.25" (Right) Oil Cooler: None OE Numbers
451428
451428AT 0230004950 17246013170 | |||||||||||||||||||||||||||||||||||||||||||||||||||||||||||||||||||||||||||||||||||||||||
www.activeradiator.com Call today to Order
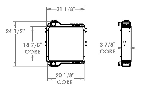
451429 - John Deere Powered Pump Radiator![]() Special Notes
Options / Pricing / Availability
Call for price
Core Dimensions Height: 25.375"
Width: 23.1875"
Depth: 2.375"
Overall Height: 31.75"
Description Product Type: Radiator Filler Neck: Right Inlet: 2" (Center) Outlet: 2" (Left) Oil Cooler: None OE Numbers
451429
451429AT | |||||||||||||||||||||||||||||||||||||||||||||||||||||||||||||||||||||||||||||||||||||||||



















