www.activeradiator.com
Call today to Order
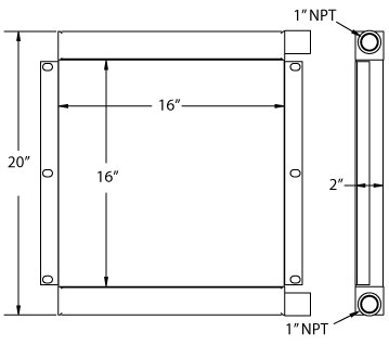
270657 - Industrial Oil Cooler

Special Notes
Must confrim NPT style fitting before ordering, if needed with O-Ring style fitting see 27-1744
Options / Pricing / Availability
To see availability click on the variation part number
Core Dimensions
Height:
16"
Width:
15.9375"
Depth:
1.9375"
Overall Height:
20"
Description
Product Type:
Oil Cooler
Filler Neck:
None
Inlet:
1" NPT" (Top)
Outlet:
1" NPT" (Bottom)
Oil Cooler:
None
OE Numbers
270657
270657ED
270657ED
Product Information
Must confrim NPT style fitting before ordering, if needed with O-Ring style fitting see 27-1744