www.activeradiator.com
Call today to Order
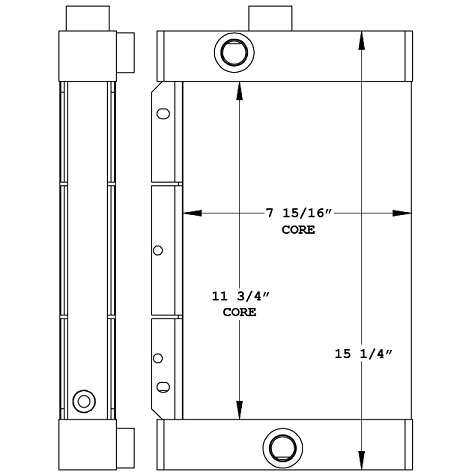
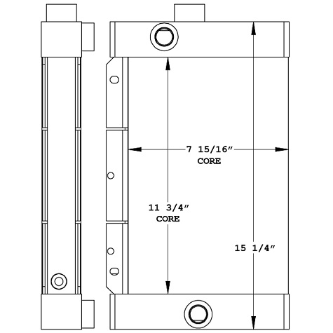
270979 - Vibromax Oil Cooler

Special Notes
Options / Pricing / Availability
To see availability click on the variation part number
Core Dimensions
Height:
11.75"
Width:
7.9375"
Depth:
1.9375"
Overall Height:
15.25"
Description
Product Type:
Oil Cooler
OE Numbers
270979