www.activeradiator.com
Call today to Order
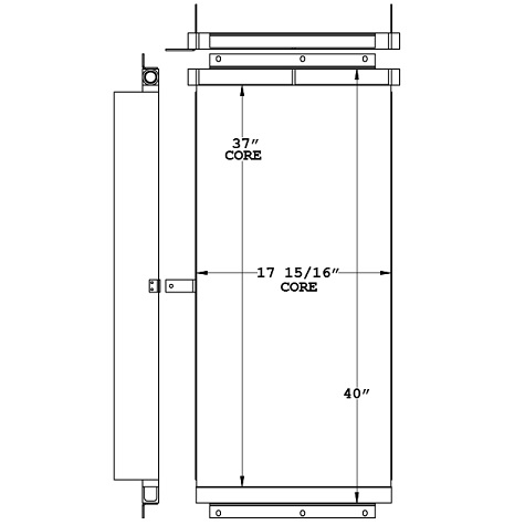
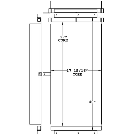
271172 - Oshkosh Refuse Truck Transmission Oil Cooler

Special Notes
Options / Pricing / Availability
To see availability click on the variation part number
Core Dimensions
Height:
37"
Width:
17.9375"
Depth:
1.5"
Overall Height:
40"
Description
Product Type:
Oil Cooler
Filler Neck:
None
OE Numbers
271172
3515582
3515582