www.activeradiator.com
Call today to Order
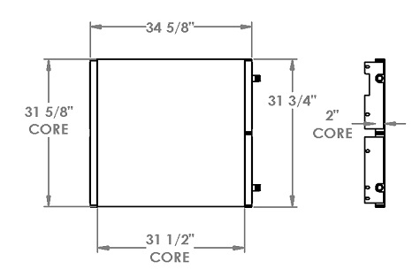
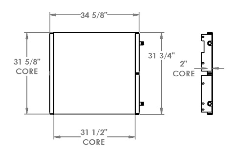
271348 - Crane Carrier Oil Cooler

Special Notes
Options / Pricing / Availability
To see availability click on the variation part number -
Core Dimensions
Height:
31.5"
Width:
31.6875"
Depth:
1.9375"
Overall Height:
34.875"
Description
Product Type:
Oil Cooler
Filler Neck:
None
OE Numbers
271348