www.activeradiator.com
Call today to Order
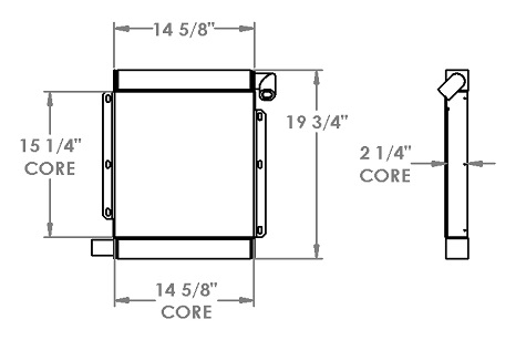
271351 - Bomag Oil Cooler

Special Notes
Options / Pricing / Availability
To see availability click on the variation part number
Core Dimensions
Height:
15.25"
Width:
14.625"
Depth:
2.375"
Overall Height:
19.75"
Description
Product Type:
Oil Cooler
Filler Neck:
None
OE Numbers
271351