www.activeradiator.com
Call today to Order
271371 - Caterpillar 414 Hydraulic & Transmission Oil Cooler

Special Notes
Includes both Hydraulic and Transmisson Oil Cooler.
Options / Pricing / Availability
To see availability click on the variation part number -
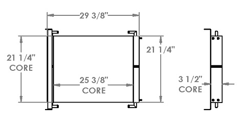
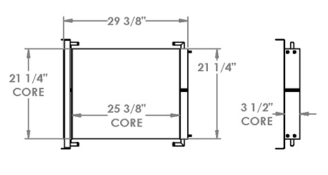
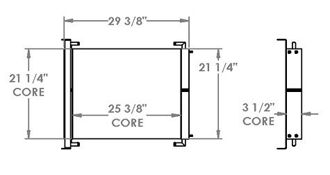
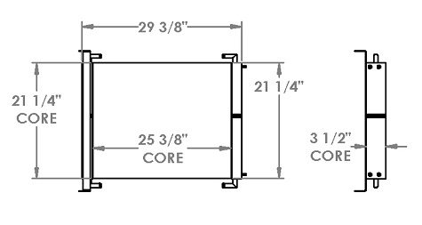
Core Dimensions
Height:
25.375"
Width:
21.3125"
Depth:
3.5"
Overall Height:
29.375"
Description
Product Type:
Oil Cooler
Filler Neck:
None
Inlet:
0.75" (Hydraulic)
Outlet:
0.75" (Transmission)
OE Numbers
271371
2113461
2113462
2113463
2144745
2144747
2105953
2105954
2105955
2973233
2994246
2113461
2113462
2113463
2144745
2144747
2105953
2105954
2105955
2973233
2994246
Product Information
Very similar to 27-1152.
Please verify position of bracket studs before ordering.