www.activeradiator.com
Call today to Order
271408 - Ingersoll Rand / Epiroc T4 Drill Oil Cooler

Special Notes
Replaces OEM two piece core.
Options / Pricing / Availability
To see availability click on the variation part number -
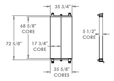
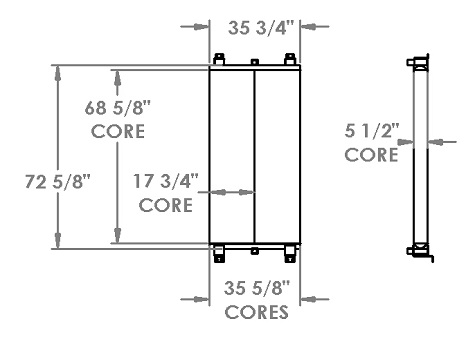
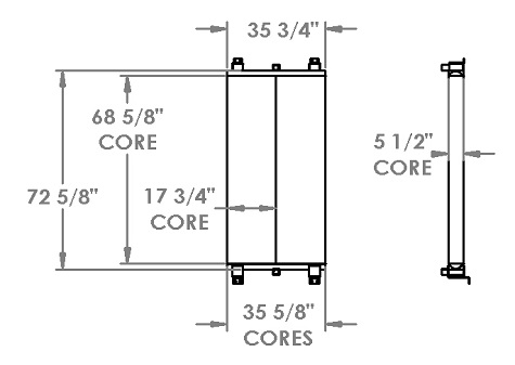
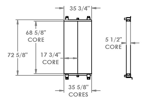
Core Dimensions
Height:
68.625"
Width:
35.5625"
Depth:
5.5"
Overall Height:
72.625"
Description
Product Type:
Oil Cooler
Filler Neck:
None
OE Numbers
271408
2657524266
57524266
2657524266
57524266