www.activeradiator.com
Call today to Order
271420 - Hyundai HL757-7A Hydraulic Oil Cooler

Special Notes
Very similar to 27-1198, please verify position of mounting bars across core before ordering. See 27-1195 for Transmission Oil Cooler
Options / Pricing / Availability
To see availability click on the variation part number
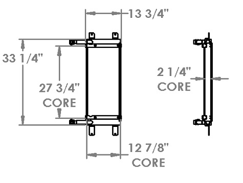
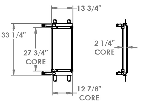
Core Dimensions
Height:
27.75"
Width:
12.8125"
Depth:
2.25"
Overall Height:
33.25"
Description
Product Type:
Oil Cooler
Filler Neck:
None
OE Numbers
271420
11LD30630
11LD30631
11LD30630
11LD30631