www.activeradiator.com
Call today to Order
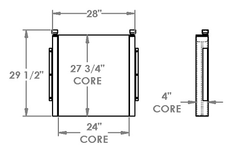
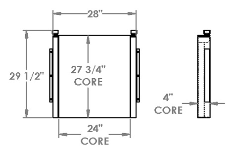
271425 - Barko 775 Feller Buncher Oil Cooler

Special Notes
Options / Pricing / Availability
To see availability click on the variation part number
Core Dimensions
Height:
24"
Width:
27.75"
Depth:
4"
Overall Height:
28"
Description
Product Type:
Oil cooler
Filler Neck:
None
OE Numbers
271425
55300060
55302066
55300060
55302066