www.activeradiator.com
Call today to Order
271427 - John Deere / Hitachi 850 Excavator Oil Cooler

Special Notes
Only replaces one side of OEM 6 piece cooler. Two 27-1427's must be purchased to replace entire OE assembly.
Options / Pricing / Availability
To see availability click on the variation part number
New Accounts | 800-779-4223 |
Atlanta, GA | 404-472-0790 |
Charlotte, NC | 215-289-9480 |
Chicago, IL | 815-725-1470 |
Cincinnati, OH | 866-540-9638 |
Dallas, TX | 214-462-7855 |
Houston, TX | 713-670-0220 |
Los Angeles, CA | 562-921-0748 |
Philadelphia, PA | 215-289-9480 |
Phoenix, AZ | 602-338-9343 |
Tampa, FL | 863-606-5999 |
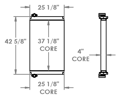
Core Dimensions
Height:
37.125"
Width:
25.125"
Depth:
4"
Overall Height:
42.625"
Description
Product Type:
Oil cooler
Filler Neck:
None
OE Numbers
271427
4655038
17720808010
4655038
17720808010
Product Information
Very similar to 27-0892. Please verify core width or OEM part number before ordering.