www.activeradiator.com
Call today to Order
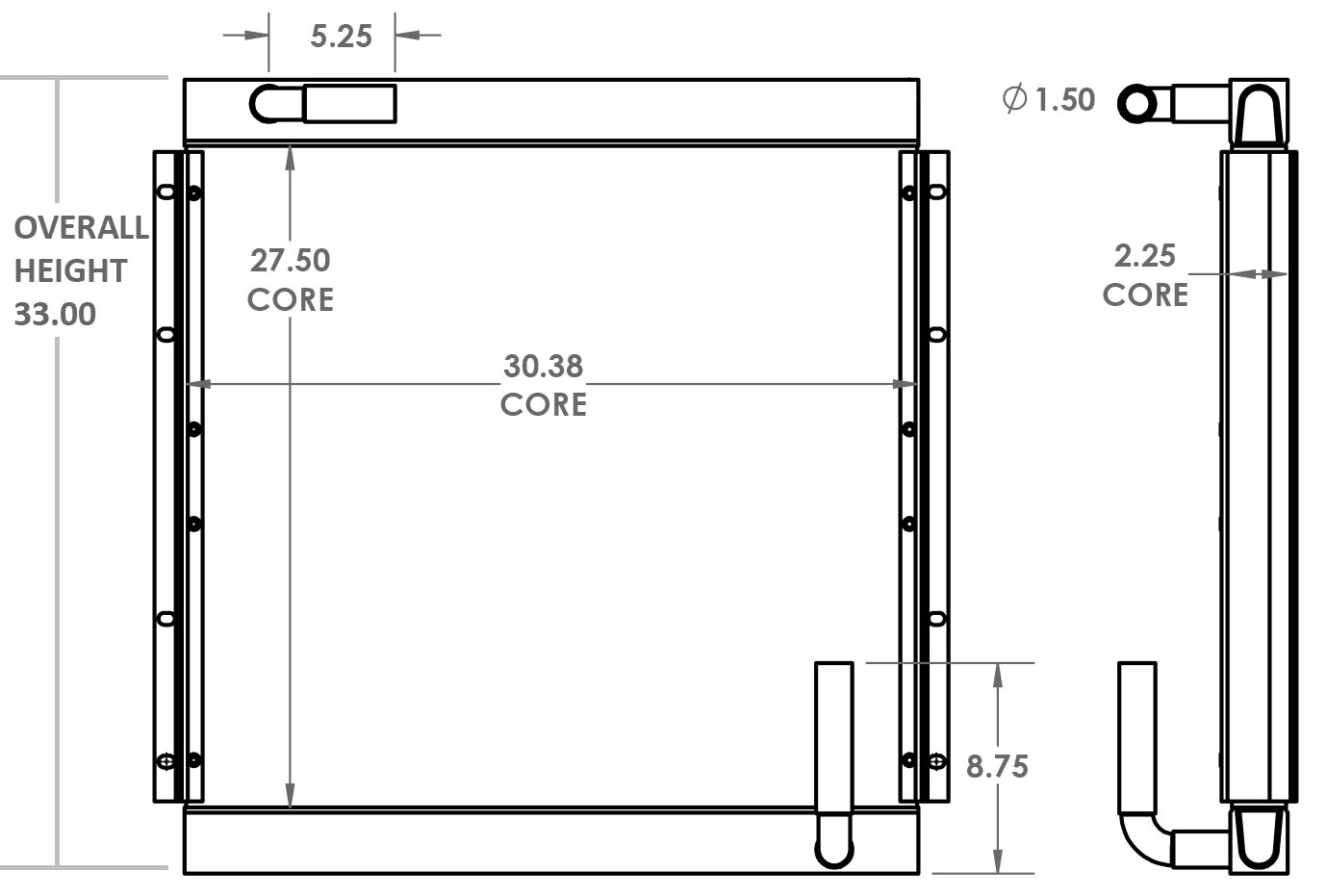
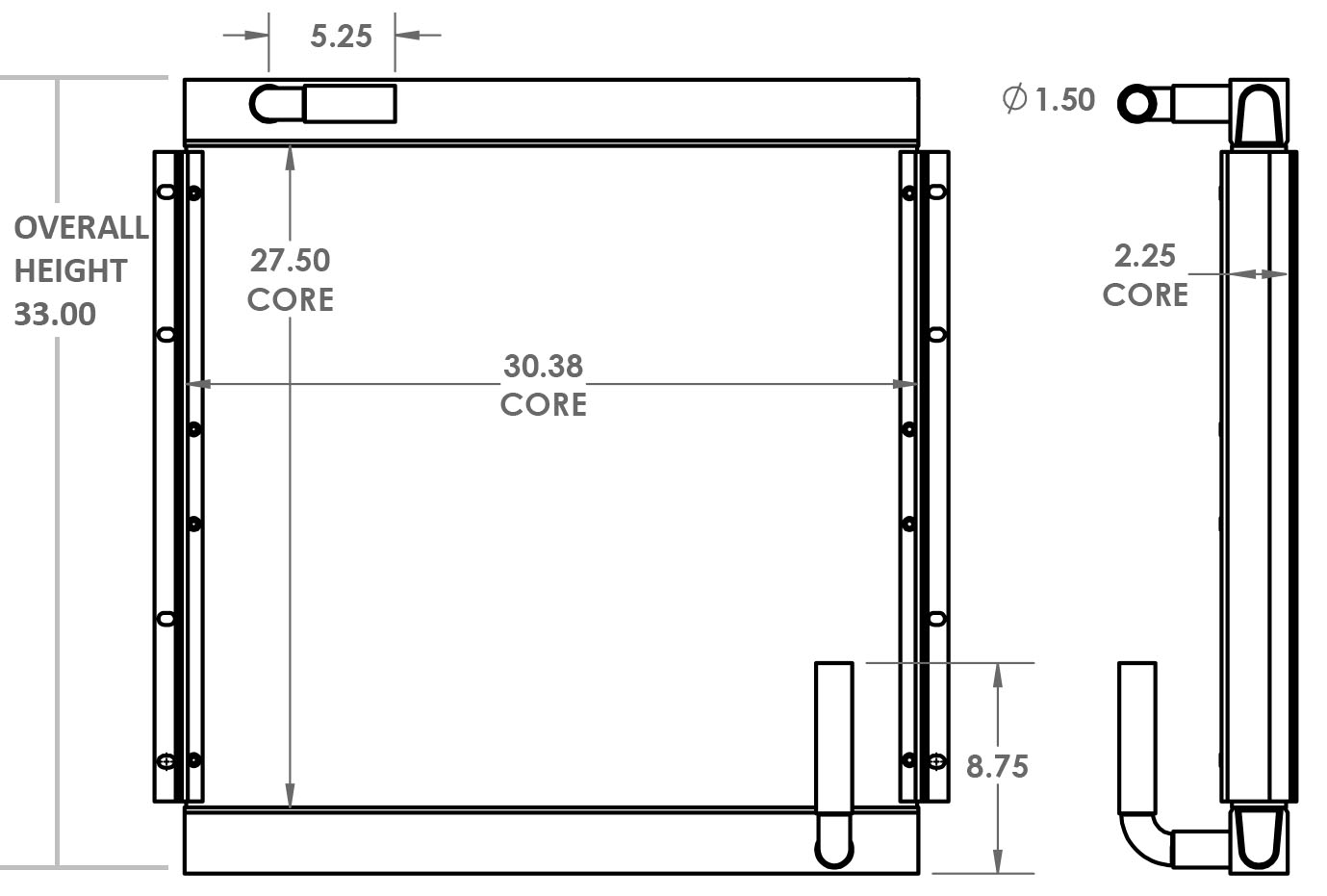
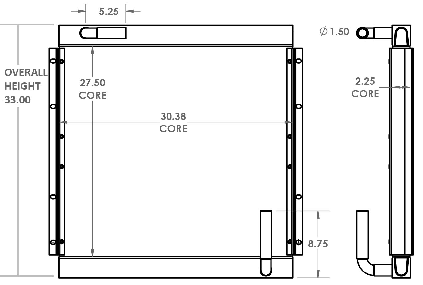
271438 - MDI Yutani / Kobelco 200 Excavator Oil Cooler

Special Notes
Very similar to the 27-1391, please verify connector height before ordering.
Options / Pricing / Availability
To see availability click on the variation part number -
Core Dimensions
Height:
27.5"
Width:
30.375"
Depth:
2.25"
Overall Height:
33"
Description
Product Type:
Oil Cooler
Filler Neck:
None
OE Numbers
271438
2452U384S1
2452U384S1
Product Information
Due to an OEM supplier change with Yutani / Kobelco there are two variations that use the same part number.
Please compare height of connectors to 27-1391 before ordering.