www.activeradiator.com
Call today to Order
271583 - Thermal Dynamics Oil Cooler

Special Notes
Options / Pricing / Availability
To see availability click on the variation part number
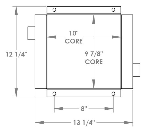
Core Dimensions
Height:
10"
Width:
9.9375"
Depth:
2.75"
Overall Height:
13.25"
Description
Product Type:
Oil Cooler
Filler Neck:
None
OE Numbers
271583