www.activeradiator.com
Call today to Order
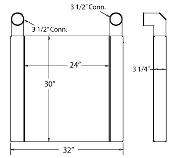
280003 - Charge Air Cooler

Special Notes
Options / Pricing / Availability
To see availability click on the variation part number
New Accounts | 800-779-4223 |
Atlanta, GA | 404-472-0790 |
Charlotte, NC | 215-289-9480 |
Chicago, IL | 815-725-1470 |
Cincinnati, OH | 866-540-9638 |
Cincinnati, OH | 859-581-7500 |
Dallas, TX | 214-462-7855 |
Grand Rapids, MI | 866-773-0028 |
Houston, TX | 713-670-0220 |
Los Angeles, CA | 562-921-0748 |
Philadelphia, PA | 215-289-9480 |
Phoenix, AZ | 602-338-9343 |
Tampa, FL | 863-606-5999 |
Core Dimensions
Height:
24"
Width:
30"
Depth:
3.25"
Overall Height:
-
Description
Product Type:
Charge Air Cooler
Filler Neck:
None
Inlet:
3.5" (Left)
Outlet:
3.5" (Right)
OE Numbers
280003