www.activeradiator.com
Call today to Order
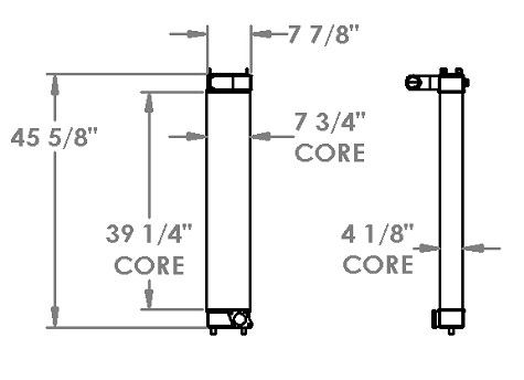
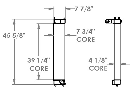
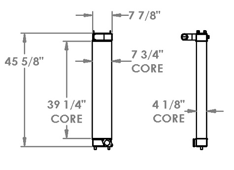
280447 - Komatsu PC308USLC-3E0 Charge Air Cooler

Special Notes
Very similar to 28-0368-N. Please verify core height or OEM part number before ordering.
Options / Pricing / Availability
To see availability click on the variation part number
| New Accounts | 800-779-4223 |
| Atlanta, GA | 404-472-0790 |
| Charlotte, NC | 215-289-9480 |
| Chicago, IL | 815-725-1470 |
| Cincinnati, OH | 866-540-9638 |
| Cincinnati, OH | 859-581-7500 |
| Dallas, TX | 214-462-7855 |
| Grand Rapids, MI | 866-773-0028 |
| Houston, TX | 713-670-0220 |
| Los Angeles, CA | 562-921-0748 |
| Philadelphia, PA | 215-289-9480 |
| Phoenix, AZ | 602-338-9343 |
| Tampa, FL | 863-606-5999 |
Core Dimensions
Height:
39.25"
Width:
7.75"
Depth:
4.125"
Overall Height:
45.625"
Description
Product Type:
Charge Air Cooler
Filler Neck:
None
Inlet:
2.5" (90 Degree Top)
Outlet:
2 Bolt Flange" (Bottom Right)
OE Numbers
280447
280447N
22U0327910
280447N
22U0327910