www.activeradiator.com
Call today to Order
290321 - Gardner Denver Combo Unit

Special Notes
Options / Pricing / Availability
To see availability click on the variation part number
| New Accounts | 800-779-4223 |
| Atlanta, GA | 404-472-0790 |
| Charlotte, NC | 215-289-9480 |
| Chicago, IL | 815-725-1470 |
| Cincinnati, OH | 866-540-9638 |
| Cincinnati, OH | 859-581-7500 |
| Dallas, TX | 214-462-7855 |
| Grand Rapids, MI | 866-773-0028 |
| Houston, TX | 713-670-0220 |
| Los Angeles, CA | 562-921-0748 |
| Philadelphia, PA | 215-289-9480 |
| Phoenix, AZ | 602-338-9343 |
| Tampa, FL | 863-606-5999 |
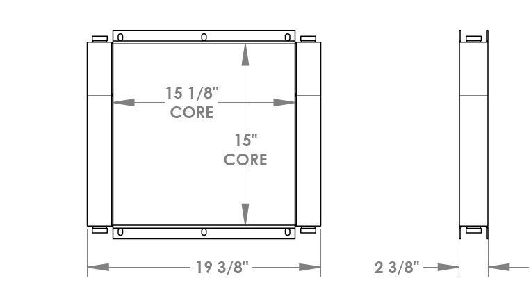
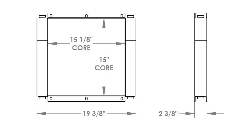
Core Dimensions
Height:
15.125"
Width:
15"
Depth:
2.25"
Overall Height:
19.375"
Description
Product Type:
Combo Unit
Filler Neck:
None
OE Numbers
290321
290321P
131569A
290321P
131569A