www.activeradiator.com
Call today to Order
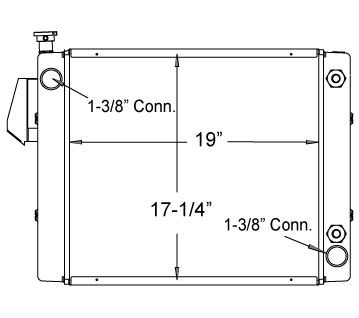
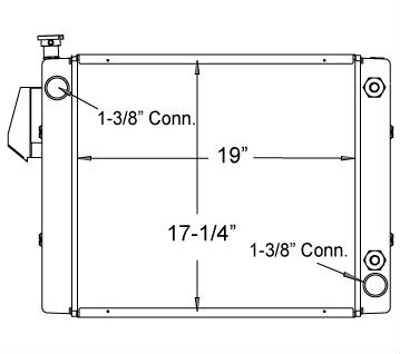
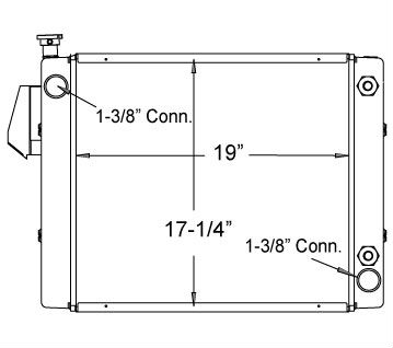
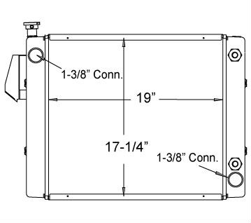
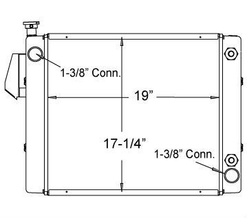
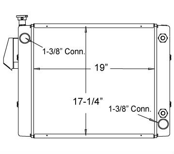
410019 - Hyster / Yale Lift Truck / Cotton Core

Special Notes
Feedlot / Cotton Core, for Standard Non-Louvered Serpentine Core Go To 4100-18
Options / Pricing / Availability
To see availability click on the variation part number -
| New Accounts | 800-779-4223 |
| Atlanta, GA | 404-472-0790 |
| Charlotte, NC | 215-289-9480 |
| Chicago, IL | 815-725-1470 |
| Cincinnati, OH | 866-540-9638 |
| Cincinnati, OH | 859-581-7500 |
| Dallas, TX | 214-462-7855 |
| Grand Rapids, MI | 866-773-0028 |
| Houston, TX | 713-670-0220 |
| Los Angeles, CA | 562-921-0748 |
| Philadelphia, PA | 215-289-9480 |
| Phoenix, AZ | 602-338-9343 |
| Tampa, FL | 863-606-5999 |
Core Dimensions
Height:
19"
Width:
17.75"
Depth:
2.25"
Overall Height:
-
Description
Product Type:
Radiator
Orientation:
Crossflow
Filler Neck:
Left
Inlet:
1.375" (Left)
Outlet:
1.375" (Right)
Oil Cooler:
Right
OE Numbers
410019