www.activeradiator.com
Call today to Order
450336 - Komatsu HM300 Radiator

Special Notes
Options / Pricing / Availability
To see availability click on the variation part number -
| New Accounts | 800-779-4223 |
| Atlanta, GA | 404-472-0790 |
| Charlotte, NC | 215-289-9480 |
| Chicago, IL | 815-725-1470 |
| Cincinnati, OH | 866-540-9638 |
| Cincinnati, OH | 859-581-7500 |
| Dallas, TX | 214-462-7855 |
| Grand Rapids, MI | 866-773-0028 |
| Houston, TX | 713-670-0220 |
| Los Angeles, CA | 562-921-0748 |
| Philadelphia, PA | 215-289-9480 |
| Phoenix, AZ | 602-338-9343 |
| Tampa, FL | 863-606-5999 |
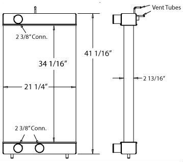
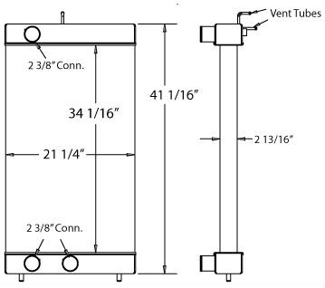
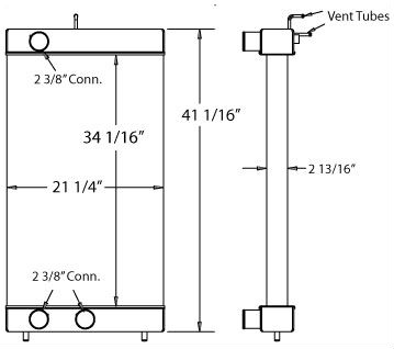
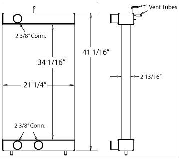
Core Dimensions
Height:
34.0625"
Width:
21.25"
Depth:
2.8125"
Overall Height:
-
Description
Product Type:
Radiator
Orientation:
Downflow
Filler Neck:
None
Inlet:
2.5" (Top left)
Outlet:
2.5" (Bottom & Center right)
Oil Cooler:
None
OE Numbers
450336
56B0321210
56B0321210