www.activeradiator.com
Call today to Order
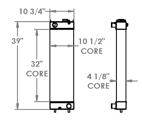
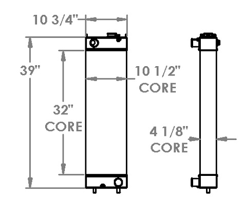
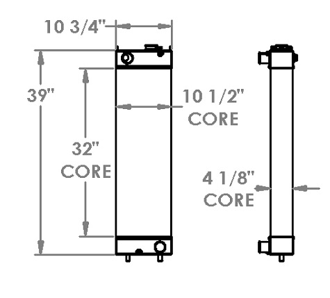
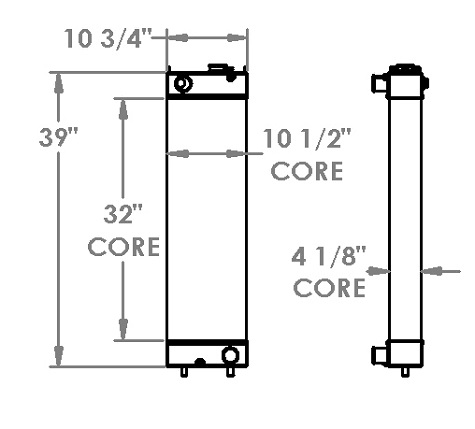
451493 - Kobelco SK170-8 Radiator

Special Notes
Please verify mounting boss and pins or by OEM part number before ordering.
Options / Pricing / Availability
To see availability click on the variation part number -
| New Accounts | 800-779-4223 |
| Atlanta, GA | 404-472-0790 |
| Charlotte, NC | 215-289-9480 |
| Chicago, IL | 815-725-1470 |
| Cincinnati, OH | 866-540-9638 |
| Cincinnati, OH | 859-581-7500 |
| Dallas, TX | 214-462-7855 |
| Grand Rapids, MI | 866-773-0028 |
| Houston, TX | 713-670-0220 |
| Los Angeles, CA | 562-921-0748 |
| Philadelphia, PA | 215-289-9480 |
| Phoenix, AZ | 602-338-9343 |
| Tampa, FL | 863-606-5999 |
Core Dimensions
Height:
32"
Width:
10.5"
Depth:
4.125"
Overall Height:
39"
Description
Product Type:
Radiator
Filler Neck:
Center
Inlet:
2" (Left)
Outlet:
2" (Right)
Oil Cooler:
None
OE Numbers
451493
451493AT
YM05P00019S001
YM05P00020F4
YM05P00020F2
YM05P00020F1
451493AT
YM05P00019S001
YM05P00020F4
YM05P00020F2
YM05P00020F1