www.activeradiator.com
Call today to Order
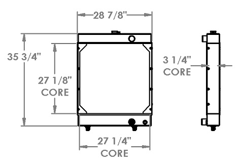
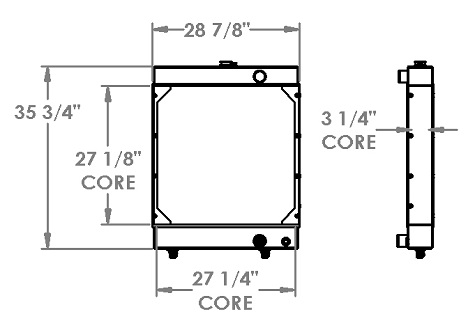
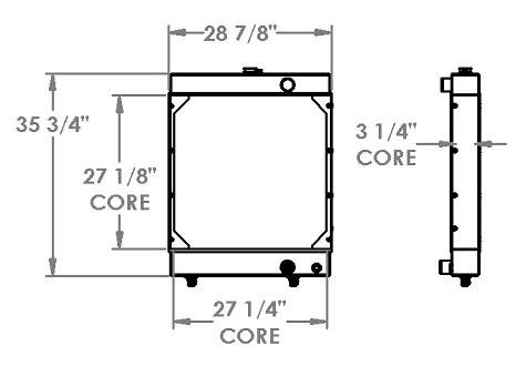
451502 - Case 621B Loader Radiator

Special Notes
Very similar to 45-0833AT, must verify core height and overall height before ordering.
					Options / Pricing / Availability
					To see availability click on the variation part number
				
| New Accounts | 800-779-4223 | 
| Atlanta, GA | 404-472-0790 | 
| Charlotte, NC | 215-289-9480 | 
| Chicago, IL | 815-725-1470 | 
| Cincinnati, OH | 866-540-9638 | 
| Cincinnati, OH | 859-581-7500 | 
| Dallas, TX | 214-462-7855 | 
| Grand Rapids, MI | 866-773-0028 | 
| Houston, TX | 713-670-0220 | 
| Los Angeles, CA | 562-921-0748 | 
| Philadelphia, PA | 215-289-9480 | 
| Phoenix, AZ | 602-338-9343 | 
| Tampa, FL | 863-606-5999 | 
Core Dimensions
Height:
27.125"
				Width:
27.25"
				Depth:
3.25"
				Overall Height:
35.75"
			Description
Product Type:
Radiator
Filler Neck:
Center
Inlet:
1.75" (Right)
Outlet:
2.25" (Right)
Oil Cooler:
18
OE Numbers
						451502
451502AT
133677A1
133677A2
133677A3
			451502AT
133677A1
133677A2
133677A3