www.activeradiator.com
Call today to Order
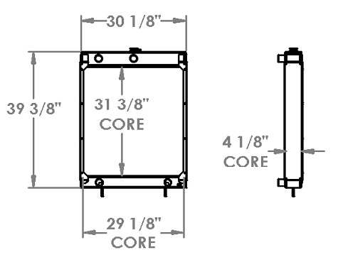
451525 - Barko 775 Feller Buncher Radiator

Special Notes
Pairs with 27-1425
Options / Pricing / Availability
To see availability click on the variation part number
New Accounts | 800-779-4223 |
Atlanta, GA | 404-472-0790 |
Charlotte, NC | 215-289-9480 |
Chicago, IL | 815-725-1470 |
Cincinnati, OH | 866-540-9638 |
Dallas, TX | 214-462-7855 |
Houston, TX | 713-670-0220 |
Los Angeles, CA | 562-921-0748 |
Philadelphia, PA | 215-289-9480 |
Phoenix, AZ | 602-338-9343 |
Tampa, FL | 863-606-5999 |
Core Dimensions
Height:
31.375"
Width:
29.125"
Depth:
4.125"
Overall Height:
39.375"
Description
Product Type:
Radiator
Filler Neck:
Center
Inlet:
2" (Dual Top)
Outlet:
2" (Dual Bottom)
Oil Cooler:
None
OE Numbers
451525
451525AT
451525AT